资料下载

 

 
产品搜索:
  产品目录
 
 
最新产品
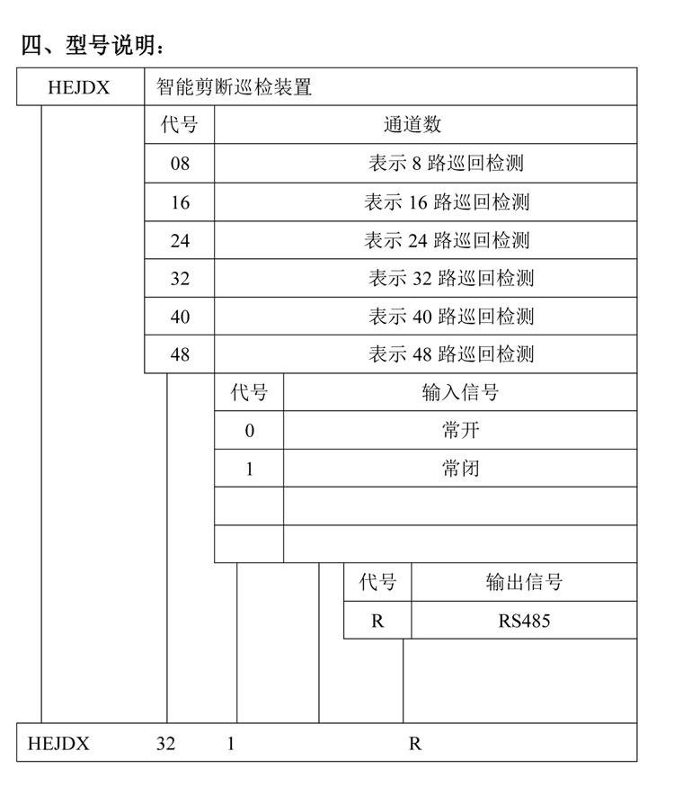
智能剪断巡检装置fjtdkj

 

版权所有:福建天地微软科技有限公司 | www.fjtdkj.com | 电子仪器仪表设计 技术支持:南平市元九网络 网站管理
客户服务及反馈中心 - 电话:0592-7687338 传真:0592-7687337 备案号:闽ICP备08002032号 您是第位来客